Alloy Steel Bow Shackle with Screw Pin – Steel – Cartec
Alloy Steel Bow Shackle with Screw Pin – Steel – Cartec
Alloy Steel Bow Shackle with Screw Pin – Steel
A shackle is a u-shaped, load-bearing connecting device designed to be used with a removable pin. Shackles can be used in a number of rigging and load securement applications to connect different types of lifting slings, chain, or rope to an object.
The terms anchor shackles and bow shackles are both used interchangeably and refer to a type of shackle with a larger, round “O” shaped bow. A larger bow shape allows these types of shackles to be side loaded or used in multiple sling-leg connections. Anchor shackles can be used for side pulling when you factor in the reduction to the WLL based on the angle deviation from in-line (0°).
Safety Coefficient: 6
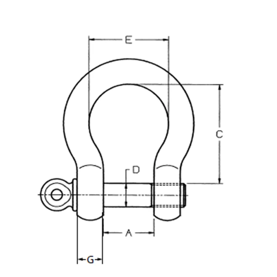
The shackle with the product code A052 is a bow shackle, for the corresponding dee shackle click here.
SAFETY INSTRUCTIONS
FORESEEN USE
ALLOY STEEL FORGED SHACKLE FOR LIFTING STATIC LOADS
NOT SUITABLE FOR LIFTING PEOPLE
HOW TO USE – INSTRUCTIONS
Before use and at least every six months check that:
- The clamp and the shackle pivot are of the same size, type, and manufacturer
- Markings are clearly legible.
- The threading of the clamp and pivot are not damaged
- The clamp and the pivot are not deformed
- The clamp and the pivot have not suffered a reduction exceeding 10% or the original diameter due to wear and tear of one of the contact points
- The clamp and the pivot are free from any chips, tears, breakage or corrosion.
If checks are negative the shackle should not be used and must be replaced
Please note that:
- Checks must be carried out by qualified persons over eighteen years of age
- Checks must be minuted in a purposely held register
- The following timing frequency to carry out regular checks is recommended
six monthly : if the shackles are rarely used;
quarterly : if the shackles are usually used;
monthly : if the shackles are hardly used; - Ensure that the type and size of shackle are right for the particular use
- Ensure that the pivot is properly inserted in the clamp and tightened manually in such way that the base of the pivot touches the clamp of the shackle; in the case of bolted shackles ensure that the nut touches the clamp of the shackle and that the safety spring pin is properly assembled.
- Ensure that the pivot is of the proper length.
- Never replace the shackle pivot
- The shackle must not be used in such way that places a lateral load
- Ensure the correct alignment of the shackle with the loading line
- When shackles having various slings and arms are used then one must bear in mind the effect of the angle between the arms of the sling. Increasing the angle, increases the load on the sling and therefore on the shackle assembled on the same sling.
- When a shackle is used to connect two slings to a hook of a lifter, the shackle must have a flyer spindle. the slings must be assembled in the clamp while the hook used in the shackle pivot. The angle between the slings must not exceed 120°
- In use where the shackle must be left in place for a long period of time or when the pivot must offer maximum safety, use the nut shackle, the bolt and the safety spring pin.
- If any repairs and/or subsequent treatment is effected on the product then the warranty shall not longer apply and we will be exempted from any liability
- The shackle can be used without reducing the load at 0°C to +200°C
Calculated loads with safety factor 1:6
- Reasons for capacity reductions
- Ambient Temperature Load Limit Reduction
• -40°C to +200°C None
• +200°C to +300°C -15%
• +300°C to +400°C -25%
• > +400°C Not permitted - To avoid dislodgement of the pivot, the shackle must be properly used
- The shackle must not be immersed in acidic solutions or exposed to acid fumes or other chemical products
- The shackle must not be used in exceptionally dangerous situation such as on open seas, lifting persons, lifting potentially dangerous loads such as molten metals, corrosive metals or fission metals
- Do not stand under an overhanging load whilst it is being used
- Do not stand during use in dangerous areas (dangerous areas mean areas which are deemed risky due to falling of load during movement with accessories )
- Do not use the shackle when the load is unstable
STORAGE:
The device must be stored in a suitable environment (e.g. dry, non-corrosive, etc.)
DISPOSAL:
The product packaging must be sent for normal recycling
The product must be recovered as metal scrap

Reviews
There are no reviews yet.